Gửi bạn link tải:Thêm file này giúp mình nhé:
![]()
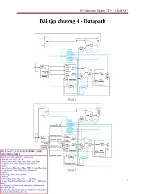
Bài tập Datapath kiến trúc máy tính uit có đáp án
Khối nào trong datapath hình 1 có output đầu ra, nhưng output này không được sử dụng cho lệnh Tất cả các khối đều cần thiết, ngoài trừ khối “Data Memory” và bộ cộng dùng cho lệnh nhảy123docz.net
Thanks bạn!
LINK DOWNLOAD: Bài tập Datapath kiến trúc máy tính uit có đáp án


